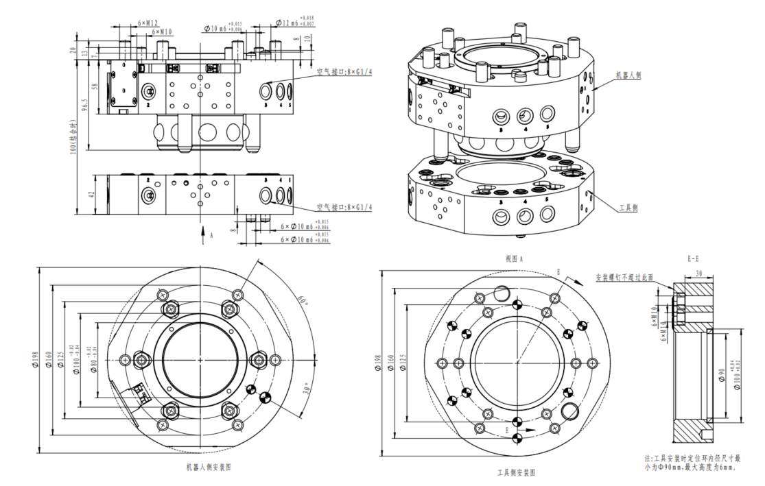
Able to support a load weighing up to 350kg
With 8 air channels, standardized modules and 3 sets of module mounting surfaces
Equipped with an unlocking sensor, a locking sensor and a face in-place sensor as standard
Overall dimension: Φ198mm×H100mm
Connected through flanges in line with ISO9409-125-6-M10/ISO9409-160-6-M12
| Main body | Payload | 350kg | |
| Repeat accuracy | ±0.02mm | ||
Allowable static moment | Bending moment | 2800N·m | |
| Torque moment | 2800N·m | ||
| Material | Main body | Aluminium alloy | |
| Locking mechanism | Alloy Steel | ||
| Shape size (locked) | φ198mm×H100mm | ||
| Product weight | Robot side body | 7.05kg | |
| Tool side body | 2.65kg | ||
| Lock/Unlock mechanism | Spring self-resetting locking | ||
| Lock/Unlock Pressure | 0.45~0.8MPa | ||
| Permitted temperature and humidity | 0-55°C,0-95% | ||
| General | Air port | 8×G1/4(Non-self-sealing) | |
| Control body | Cylinder motion sensor | Lock sensor | A proximity switch Inside (DC three-wire) |
| Unlock sensor | A proximity switch Inside (DC three-wire) | ||
| Surface detection sensor | TOOL Cirming | A proximity switch Inside (DC three-wire) | |
Integrated solenoid valve control module, used to control the quick-change disk locking/unlocking
Integrated tool air supply, only one way to realize the quick-change, tool air supply
Integrated pressure detection, real-time detection of air supply pressure
A variety of switch trigger options to suit different scenarios
Patented safety circuit, safety level up to PL d Cat 3.
Quick-change safety circuit to realize tool unlocking at a fixed point.
The air channel supports one side self-sealing function.
Standard interface: G1/4 air channel, maximum diameter 5mm.
Unidirectional self-sealing on the R side after disconnection.
Modular design for quick and easy maintenance.
Single module provides 5 air passages.

