Able to support a load weighing up to 8kg
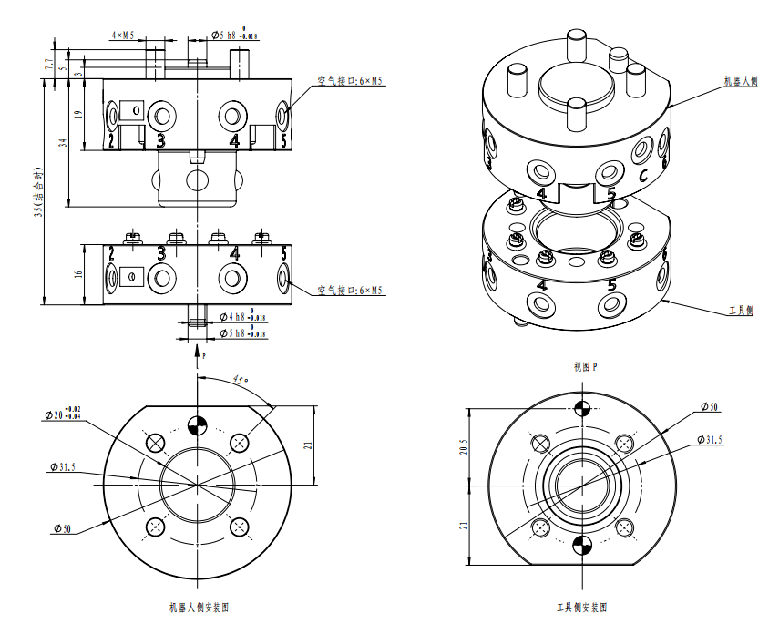
With 6 air channels and 1 module mounting surface, and self-sealing at robot side
Overall dimension: Φ50mm×H35mm
Equipped with a basic IO module, a face detection module, and a high frequency module
| Main body | Payload | 8kg | |
| Repeat accuracy | ±0.02mm | ||
| Static Moment Capacity | Bending moment | 18N·m | |
| Torque moment | 18N·m | ||
| Material | Main body | Aluminium alloy | |
| Locking mechanism | Steel alloy | ||
| Shape size (locked) | φ50mmxH35mm | ||
| Product weight | Robot side body | 111g | |
| Tool side body | 64g | ||
| Lock/Unlock mechanism | Spring-loaded self-resettling mechanism | ||
| Lock/Unlock Pressure | 0.45~0.8MPa(5~8kgf/m2) | ||
| Permitted temperature and humidity | 0-55°C,0-95% | ||
| Control body | General | Air port | 6xM5 |
| Cylinder motion sensor | Lock sensor | / | |
| Unlock sensor | / | ||
| In-place sensor | Confirm that the tool is in place | / | |
For general IO signal transmission
Number of channels selectable 8, 12, T16 electrical modules
Multi-point contact spring probe
Rated current/voltage: 2A/DC24V
Various wire lengths available
For general IO signaling
Number of channels selectable up to 16
Multi-point contact spring probe
Rated current/voltage: 2A/DC24V Various wire lengths available

